Warta

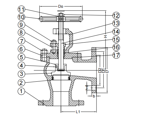
Makna gambar katup kanggo pengadaan valve

1. Mesthekake cocog karo dimensi lan antarmuka (aspek sing paling penting)

Iki minangka fungsi sing paling langsung lan penting babagan gambar kasebut. Katup kudu diinstal ing sistem piping, lan dimensi lan antarmuka kudu kompatibel karo pipa sing ana.

Cara sambungan: Gambar bakal jelas manawa ana sambungan flange, sambungan butt, sambungan benang utawa sambungan clamp.

Dawane strukture: Gambar bakal nuduhake jarak ing antarane mburi valves, mesthekake yen bisa diinstal ing papan pipel sing dilindhungi.

Standar lan Spesifikasi Flange: Yen iki minangka sambungan flange, gambar kasebut bakal nuduhake standar flange (kayata standar Face, lan ing FF Face Face, lan nginstal Face Face Face), lan liya-liyane.

Ukuran Port: Cetha nuduhake diameter nominal (DN) utawa ukuran pipa nominal (NPS) katup.

Yen ora ana gambar: katup sing dituku bisa uga ora kempal karo flanges pipa, bolongan bolt bisa uga ora cocog, utawa dawane katup bisa uga dawa / ora bisa diinstal. Iki mbutuhake tuku maneh utawa ngowahi pipa, nyebabake tenaga kerja sing gedhe banget, sumber daya lan wektu.

2. Cetha jelas tingkat tekanan lan syarat materi

Katup kudu operate kanthi aman ing tekanan lan kahanan medium tartamtu.

Rating tekanan: Gambar bakal nuduhake tekanan desain,meksa kerjaLan kelas tekanan sing cocog (kayata PN40, Kelas300) katup. Iki langsung mengaruhi kekandelan cangkang, kinerja lan faktor keamanan saka katup. Iku mbebayani banget kanggo tuku katup kanthi rating tekanan sing kurang kanggo aplikasi tekanan tinggi.

Valve Bahan Body: Gambar bakal nemtokake tutup katup, katup katek, batang katup, kayata stainless steel, cf8m (316 steel steel), aloi monelex, lan sapiturute). Pilihan materi sing salah bisa nyebabake katup dadi rusak kanthi cepet ing media corrosive, nyebabake bocor utawa kacilakan.

3. Nemtokake jinis lan mode operasi katup

Gambar kasebut kanthi jelas nemtokake jinis katup lan cara ngoperasikake.

Jinis katup: Apa katup gapura, katup glory, katup bola, katup kupu utawa katup mriksa? Gambar kasebut kanthi jelas nuduhake tampilan bagean sebagean struktural sing unik, supaya gampang dingerteni.

Cara operasi: Apa operasi handwheel, Operasi listrik, aktuator listrik, aktuator pneumatik utawa aktuator hidraulik? Gambar kasebut bakal nuduhake dimensi antarmuka lan syarat model piranti drive (kanggo katup drive).

4. Konfirmasi struktur lan standar internal

Rincian struktural: Gambar (utamane tampilan bagean) nuduhake bentuk saluran aliran, desain kursi katup lan segel, sing langsung mengaruhi karakter aliran (kerusakan tahan katup.

Standar Manufaktur lan Pemriksaan: Gambar biasane nuduhake standar sing dirancang katup, diprodhuksi lan dipriksa miturut (kayataAPI 600, API 6D, GB / T 12234, lan sapiturute). Standar kasebut minangka dhasar kanggo mesthekake kualitas katup.

5. Minangka dhasar kanggo nrima lan resolusi pasulayan

Kritéria sing nrima: Departemen Pemeriksaan Kualitas kudu verifikasi lan nampa katup sing dituku adhedhasar kabeh parameter sing ditemtokake ing gambar, mesthekake yen barang-barang fisik wis konsisten karo kabutuhan desain.

Nduwe efek legal: Gambar minangka bagean saka lambang teknis kontrak. Yen barang sing diwenehake dening supplier ora cocog karo gambar,Gambarbakal dadi bukti sing paling kuat kanggo nuntut ganti rugi lan ngrampungake perselisihan.

Ringkesan lan Rekomendasi

Gambar katup dadi "basa teknis" lan "standar standar" sing nyambung desain, pengadaan, instalasi, lan proses panrima.

Saran kanggo tuku staf:

Sampeyan perlu njaluk gambar: Sadurunge nggawe pitakon kanthi supplier lan nempatake tatanan sing paling anyar lan jelas kanggo entuk gambar paling anyar lan jelas saka format desain utawa ing bentuk kertas).

Verifikasi kanthi ati-ati: priksa informasi utama ing gambar (kayata model, diameter, rating tekanan, materi, standar sambungan) kanthi tatanan sing tuku lan perjanjian teknis.

Liwat menyang supplier: nyedhiyakake gambar lengkap kanggo suppainer potensial lan mbutuhake menehi konfirmasi sing ditulis yen wis dingerteni lan bisa ngasilake miturut gambar.

Nindakake pamriksan sing ditampa miturut gambar: Sawise barang teka, perlu kanggo kerja sama karo Dinas Inspeksi Kualitas lan tumindak inspeksi sing ditampa kanthi ketat adhedhasar gambar.

Nglirwakake makna gambar katup lan nggawe tumbas mung adhedhasar gambaran verbal utawa model sing gampang bisa nyebabake akibat sing ora bisa dibebayani. Biaya pungkasan luwih dhuwur tinimbang investasi sing digawe kanthi ati-ati kanthi tliti sadurunge tuku.

Warta sing gegandhengan
Ninggalake kula pesen
X
Kita nggunakake cookie kanggo menehi pengalaman browsing sing luwih apik, nganalisa lalu lintas situs lan nggawe konten pribadi. Kanthi nggunakake situs iki, sampeyan setuju kanggo nggunakake cookie. Kebijakan Privasi
nolak Nampa